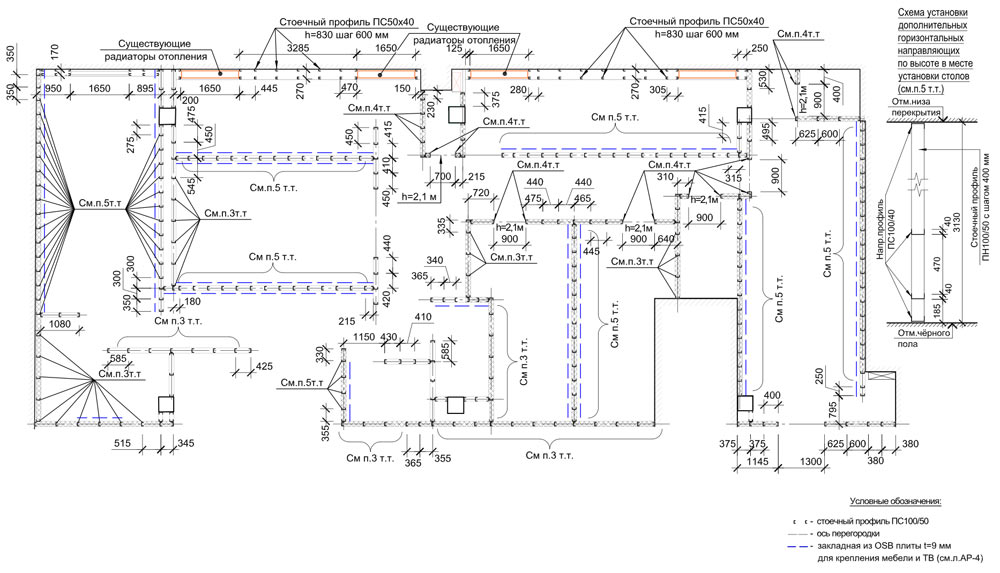
Identity Stickers Extras Interiors The making of the One Shot gaming club chain interiors Process Overview Process Feedback